YZ15供应华流YZ15泵头的详细介绍
产品说明
YZ15泵头是一款易装型泵头,其外壳采用PESU材料,滚轮均采用优质材料,具有很好的耐用性,卡管自适应,可装卡同等壁厚不同内径规格的软管,操作简单方便,易于维护保养。
性能参数
泵头型号:YZ15
适配软管:14# 16# 25# 17# 18#
软管壁厚(mm):1.6
参考流量范围(ml/min): 0.01-2280
适配转速(rpm): ≤600
泵壳材质:PESU
滚轮材质:SS
滚轮数量:3
重量(kg):0.42
功能特点
易于更换软管;
卡管自适应;
可装多种规格软管,形成不同大小流量;
滚轮均为不锈钢材质,具有抗腐蚀性及耐用性;
泵壳材质采用PESU材料。
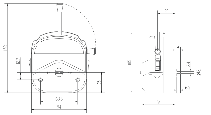
外形尺寸

|