A5V-35UV紫外增强硅探测器的详细介绍
全自动生化分析仪作为典型的光、机、电、算结合的精密仪器,涉及的学科门类多、技术复杂,其中的分光光度计是该仪器的核心部分之一,其优劣直接影响仪器的精度指标,而分光光度计的探测器品质和波长的校准方法又直接影响分光光度计的灵敏度和精度.
本文重点介绍紫外-可见后分光技术、采用凹面反射光栅作为色散元件的分光光度计的探测器选择要领和波长校准的方法.
图1 分光光度计原理图
一: 探测器的选型
对于此类分光光度计在探测器的选择重要考虑的问题:
1. 由于后分光式分光光度计可同时提供多个波长,采用面阵CCD、光电二极管阵列等平面光电探测器可同时对几个波长进行测试,测试速度快。
2. 由于波长为340 nm 的单色光信号较弱,除了在光路中使用必要的紫外光学元件和光路优化外,对阵列探测器在紫外的灵敏度和噪声等指标也有非常高的要求.紫外增强硅探测器在性价比方面有非常重要的优势.
A5V-35UV是全球著名的探测器生产厂家OSI公司生产的35通道紫外增强硅探测器, 非常适合应用于此类分光光度计. 先锋科技股份有限公司作为OSI在国内此领域的独家代理商,为国内客户提供适用于生化分析仪的最佳探测器。
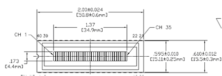
图2 A5V-35UV封装尺寸图
A5V-35UV以双列直插共40 pin DIP封装,其中有35个二极管探测器,因此也就有35个信号输出引脚,还包括2个地引脚以及3个空脚。每个二极管探测器宽为0.9 mm ,高为4.4mm ,相邻探测器间隙为0.1mm, 探测器间距为1mm。其封装尺寸与市面上的主流品牌完全兼容.
A5V-35UV在340nm处的响应度可达到0.15A/W ,在400nm左右更可达到0.27A/W,比其它品牌好, 这对于提高信噪比和后续的信号处理分析有非常重要的意义.如下是几种探测器的响应度比较.

图2 几种35通道紫外增强硅探测器响应度比较
据业界多家公司测试,A5V-35UV系列探测器在全自动生化分析仪用分光光度计的应用中,紫外灵敏度有非常显著的性能优势.
二: 分光光度计的波长校准方法
作为标定光源,输出单色光的波长准确性将直接决定多光谱仪的准确性,所以对标定光源的波长准确性和重复性要求很高;由于生化分析仪中需要测试的波长随不同样品而不同,所以很难找到满足所有波长的特征线光源,目前通常用可调单色光源作为标定光源.
可调单色光源通常有手动可调单色光源和电动控制可调单色光源。手动可调单色光源通常用的是正弦式驱动的光谱仪,但是由于长期使用会导致磨损,重复性下降,所以输出波长就会产生偏移,而且手动调节速度较慢,效率较低,没有办法满足生产要求.
卓立汉光的TLS系列光源是电动控制可调单色光源,采用涡轮涡杆结构,每一套光谱仪都采用单独配对研磨的涡轮涡杆,而且通过内置控制模块消除机械回程差,从而有效保证可调单色光源的重复性.
该光源提供Omni-OCX二次开发控件,波长控制采用上位扫描控制,方便全自动化工装的整合,可以与分光模块的探测器数据采集模块实现联合控制,做成全自动标定工装,大大提供生产效率.
|