推荐度:
展位号: ZSA1131
点击量: 243276
网站首页 |
申请展台
| 在线反馈
       
  北京明尼克分析仪器设备中心  

北京明尼克分析仪器设备中心

网址: 暂未添加二级域名 收藏
企业介绍 企业动态 产品展厅 资料中心 下载中心 询价订单 企业荣誉 招聘信息 联系我们 促销商品
当前位置: 展台首页 > 企业介绍
 产品目录
气相色谱仪
液相色谱仪
其它色谱仪
卡氏水分测定仪
水质分析仪
其它电化学仪
其它软件
其它
农药残留速测仪
其它农业和食品专用仪器
燃油专用测试仪
其它石油产品专用分析仪器
控制阀/各种接头
色谱试剂
 联系我们
地 址:北京市朝阳区望京西园222号星源国际D座1503室
邮 编:100102
联系人:薛海玲
电 话:010-84723211;84726305;62341274
传 真:010-84723212;62318809
邮 箱:xuehail@163.com
 友情链接
· 中国分析仪器网
资料中心 返回列表
高于室温分析永久气体和轻烃类
提 供 商: 北京明尼克分析仪器设备中心
资料大小: 132K
发布时间: 2004-06-19
浏览次数: 1522
资料介绍
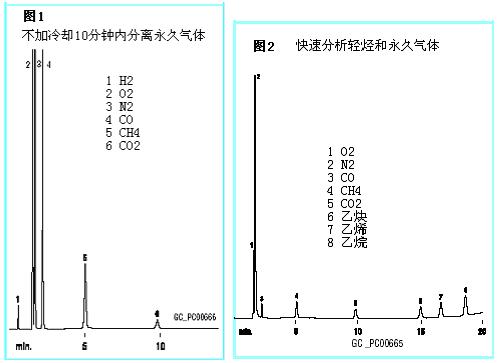
ShinCarbonST新一代碳分子筛微型填充GC柱(原产地:美国RESTEK)
明尼克推荐ShinCarbonST。这是一种高比表面积的碳分子筛(~1500M2/g)可以用来分离永久气体和挥发性高的烃类。一根2米长的1mm内径微型填充ShinCarbonST柱在10分钟内勿需冷却就可以进行分析。

除了分析永久气体以外,ShinCarbonST柱还可以分离轻烃和永久气体。图2是在20分钟以内分析永久气体和乙炔、乙烯、乙烷。图4是低分子量硫的分析。图5是分析Freon®碳氟化合物。(图略)

明尼克分析仪器设备中心
地址:北京100083海淀区 学清路16号学知轩1117室
电话:(010)8275 5308/ 8275 5309
传真:(010)8275 5309-16
E-mail: wangqichang@yahoo.com

首页 | 仪器商场 | 展商在线 | 展会信息 | 供求信息 | 仪器英才 | 应用资讯 | 图书期刊 | 管理入口
中国分析仪器网 设计制作,未经允许翻录必究.以上信息由企业自行提供,信息内容的真实性
准确性和合法性由相关企业负责,中国分析仪器网对此不承担任何保证责任
浙ICP证020120号 经营许可证编号:浙B2-20060229