推荐度:
展位号:
ZT11690
点击量:
31925
网站首页
|
申请展台
|
在线反馈
北京恒奥德科技有限公司
网址:
bjhadkj.54pc.com
收藏
展台首页
企业介绍
企业动态
产品展厅
资料中心
下载中心
询价订单
企业荣誉
招聘信息
联系我们
促销商品
当前位置:
展台首页
> 企业介绍
--产品--
--资料--
--下载--
产品目录
气相色谱仪
液相色谱仪
薄层色谱仪/薄层扫描仪
其它色谱仪
可见分光光度计
紫外可见分光光度计
荧光分光光度计
原子吸收光谱仪(AAS)
原子荧光光谱仪(AFS)
红外光谱(IR)
近红外光谱(NIR)
拉曼光谱
激光拉曼光谱仪
X射线荧光光谱仪(XRF)
光纤光谱仪
火焰光度计
光栅光谱
分子光谱/带状光谱
其它光谱仪
水分测定仪
卡氏水分测定仪
露点水分测定仪(露点仪)
PH计
自动滴定仪
Zeta电位仪
氧化还原电位(ORP)测定仪
电化学工作站
电泳仪
电导率仪
水质分析仪
溶解氧分析仪
恒电位仪
离子测定仪(离子计)
传感器
其它电化学仪
卡尔·费休水分测定仪
红外水分测定仪
露点水分测定仪(露点仪)
库仑水分测定仪
专用水分仪
其它水分测定仪
碳硫分析仪
测氯仪
测汞仪
定氮仪
气体分析仪
氧分析仪
碳氢分析仪
金属元素分析仪
碳硅分析仪
其它元素分析仪
金相显微镜
工具显微镜
测量显微镜
生物显微镜
偏光显微镜
读数显微镜
电子显微镜/电镜(SEM TEM)
荧光显微镜
体视显微镜
倒置式显微镜
图像分析系统
其它显微镜
X射线检查
其它光学检测仪器
光学影像投影仪
水准仪
全站仪
电子经纬仪
激光划线仪
激光准直仪
测定仪
折射仪
粗糙度测试仪
色差仪
光度计
密度计
旋光仪
望远镜
照度计
夜视仪
红外热成像仪
激光水平仪
激光测距仪
医学光学
白度计
热扩散/导热分析仪
热失重分析仪/热天平
差热分析仪(DTA)
热膨胀仪
热分析联用仪系列
其它热分析仪器
粒度分析仪
激光粒度仪
其它粒度分析仪
旋转流变仪
流变仪
旋转式粘度计
粘度计
其它流变仪/粘度计
试验机
材料试验机
振动台
万能试验机
压力试验机
拉力试验机
冲击试验机
扭转试验机
蠕变试验机
耐磨试验机
其它试验机
恒温恒湿箱
老化箱
湿热试验箱
盐雾试验箱
低温试验箱
高、低温试验箱
高温试验箱
淋雨试验箱
其它环境试验设备
洛氏硬度计
维氏硬度计
布氏硬度计
邵氏(肖氏)硬度计
里氏硬度计
其它硬度计
表面张力仪
界面张力仪
比表面仪
比表面积及孔结构分析仪
孔径/隙度分析仪
其它表面物性测试仪
密度计
色度计
旋光仪
折射仪
糖度计
浊度仪
比色计
白度仪/白度计
光泽度仪
盐度计
应力仪
其它物理光学设备
测厚仪
探伤机/探伤仪 工业CT
金属检测机
超声波探伤
涡流探伤
磁粉探伤
测振仪
建筑材料无损检测仪
其它无损检测/无损探伤设备
燃烧试验箱
阻燃性能测定仪
氧热指数测定仪
热传导性能测定仪
抗融仪
锥形量热仪
其它燃烧测定仪
温湿度计
液体比重计
烟尘浓度测定仪
黑度计
比重仪
固体成分含量仪
其它
农药残留速测仪
土壤检测仪
土壤采样器
土壤硬度计
饮用酒检测仪
乳品专用分析仪
食品安全速测仪
食品甲醛检测仪
食品品质速测仪
蛋白质分析仪
其它农业和食品专用仪器
闪点/燃点仪
蒸馏/蒸发仪
运动粘度测定仪
石油破/抗乳化测定仪
沥青产品专用测试仪
氧化分析仪
燃油专用测试仪
油品色度测试仪
石油产品馏程测定仪
其它石油产品专用分析仪器
溶出度仪
脆碎度仪
崩解仪
渗透压仪
膏药软化点
药物光照仪
其它药物检测专用仪器
量热仪/热量计
其它煤炭行业专用仪器
纤维类测试仪器
织物类测试仪
色牢度仪
其它纺织行业专用仪器
维卡软化点测定仪
其它橡胶塑料行业专用仪器
通讯及电子测量仪器
教学仪器
轻工系统
行业专用分析仪器
汽车尾气监测仪
烟气监测/分析仪
甲醛分析仪
红外气体分析仪
TVOC
粉尘测定仪
臭氧分析仪烟度计
湿度计
采样器
气体分析
一氧化碳测试仪
二氧化碳测试仪
有毒气体检测仪
可燃气体检测仪
氧气测试仪
室内空气品质测试仪
其它
多参数水质分析仪
离子检测仪
COD测定仪
BOD测定仪
红外测油仪
溶解氧测定仪
氨氮测定仪
大肠杆菌测定仪
氰化物测定仪
余氯/总氯测定仪
水和废水监测仪
浊度仪
总磷测定仪
水质采样器
其它
风速计
音量计
照度计
声级校准器
粒子计数器
测氡仪
辐射仪
场强仪
其它
电子天平
分析天平
精密扭力天平
机械分析天平
平台秤
质量比较仪
其它天平
高温炉
电阻炉
加热板
马弗炉
烘干器
真空干燥箱
鼓风干燥箱
干燥箱
干燥机
热风循环烘箱
其它
恒温器
恒温水浴锅
恒温水箱
水浴恒温振荡器
恒温柱箱
恒温培养箱
恒温油浴
恒温水浴
恒温槽
恒温水浴摇床
其它
离心机
冷冻离心机
高速离心机
离心泵
固相萃取
微波萃取
超声波萃取仪
萃取反应仪
快速溶剂萃取仪
其它
超声波清洗器
等离子清洗器
酸蒸清洗器
高压灭菌器
蒸汽灭菌器
消毒柜
其它
纯水机
旋转蒸发仪
氮吹仪
蒸馏水器
过滤器
振动筛
其它
微波消解仪
石墨消解仪
红外加热消解系统
电热消解仪
恒温消解仪
切割机
磨抛机
其它
制冰机
冷冻机
水循环
冷冻干燥机
低温设备
其它
搅拌机
混合机(乳化机)
分散机
粉碎机
匀浆机
其它
粉碎机
研磨机
反应釜
其它
真空泵
蠕动泵
柱塞泵
高压泵
恒流泵
注射泵
其它
实验室台
实验柜
其它
振荡培养箱
除湿机
移液器
溶出设备
其它
基因扩增仪(PCR)
核酸蛋白分析仪
生化分析仪
摇床/振荡器
均质器/细胞破碎仪
生化培养箱
超净工作台
生物安全柜
过滤器
疫苗冷藏箱
液氮罐
其它
洗板机/酶标仪
菌落计数器
细菌培养仪
细菌鉴定仪
其它
其它
在线红外线分析仪
在线热导式气体分析仪
在线氧化锆
在线氧分析仪
在线烟气分析仪
在线微量氧
其它
在线PH计
在线电导仪
在线浊度计
在线流量计
在线水中油
其它
其它
红外测温仪
温度计
温度变送器
温度传感器
温度记录仪
其它
测长仪
测距仪
卡尺
其它
红外热像仪
水位计
辐射计量仪器
声学计量仪器
电磁学计量仪器
其它
传感器
万用表
变频器
示波器
抗阻分析仪
电流表
电压表
欧姆表
电感/电容表
显示仪表
工业自动化仪表
其它相关仪表
光栅
氢气发生器
氮气发生器
空气发生器
氮氢空一体机
氢空一体机
空气压缩机
氮空发生器
其它
其它
过滤器
其它
电化学仪器配件与耗材
联系我们
地 址:北京市北洼路90号院16号楼317室(北京市地质工程勘察院院内)
邮 编:100142
联系人:李红慧
电 话:010-51666919/15810842463/18301408297
传 真:010-68465110
邮 箱:hadkj51666919@163.com
友情链接
·
中国分析仪器网
·
北京恒奥德科技有限公司首页
·
恒奥德科技仪器仪表大全
·
北京恒奥德科技产品中心
·
北京恒奥德科技有限公司
·
北京恒奥德科技有限公司
产品展厅 | 传感器
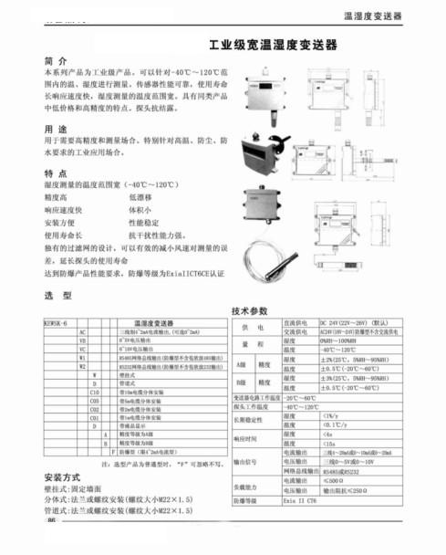
工业级宽温程温湿度变送器/湿度变送器
红外二氧化碳传感器/二氧化碳传感器/二氧化碳传感器
矿用一氧化碳传感器/一氧化碳传感器/一氧化碳传感器
矿用一氧化碳传感器/一氧化碳传感器
压力传感器/压力传感器
压力传感器/压力传感器
风压变送器/风压变送器
风向传感器/风向仪/风向仪
风速风向传感器/风速风向一体传感器/风速风向仪
风速变送器/风量传感器/传感器
风压变送器/压力变送器
差压传感器/差压传感
磁性到位传感器/位置传感器/传感器
管道一氧化碳变送器/变送器/变送器
单点电子压力开关/压力传感器
涡街流量传感器/流量传感器/传感器
矿用本安型压力传感器/压力传感器
矿用本安型压力传感器/压力传感器
万向轴扭矩传感器/扭矩传感器
微量程扭矩传感器/扭矩传感器
1
2
3
4
...
首页
|
仪器商场
|
展商在线
|
展会信息
|
供求信息
|
仪器英才
|
应用资讯
|
图书期刊
|
管理入口
中国分析仪器网 设计制作,未经允许翻录必究.以上信息由企业自行提供,信息内容的真实性
准确性和合法性由相关企业负责,中国分析仪器网对此不承担任何保证责任
浙ICP证020120号 经营许可证编号:浙B2-20060229